欢迎光临乐清市莱斯欣电子有限公司! 热线电话: 0577-62337166
服务体系: 网站首页产品中心 风压开关 >C6467

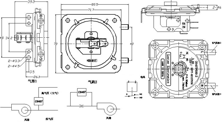
C6467

C6467.jpg

描述 

●风压开关

●用于燃气设备

●额定值

1A 125/250VAC, 3A 125/250VAC

●认证:UL cUL certificate

●规格:

温度范围:85℃ Max

耐高压:1500Vac/1min.

动作点:20-400Pa can be set by factory

耐久:10000 cycles

最大压力:1000Pa

接触电阻:100mOhm Max.

尺寸图

2011428111555799.jpg

标识订货


2011428111820249.jpg