欢迎光临乐清市莱斯欣电子有限公司! 热线电话: 0577-62337166
服务体系: 网站首页产品中心 过载保护器 >DLQ1

DLQ1

DLQ1.jpg

描述 

●过电流保护器

●符合UL1077"TRIP-FREE CYCLING" 设计

●最大电流:5A~20A

●最大电压:250Vac(50/60Hz),50Vdc

●获得认证:UL and CUL 

●适用器具种类:A,B,C,D 

●起跳电流:TC-2(>135%) 

●过载测试:OL-0(1.5times amp tating) 

●短路测试:1KA 250Vac,c1;1KA 50Vdc,c1 

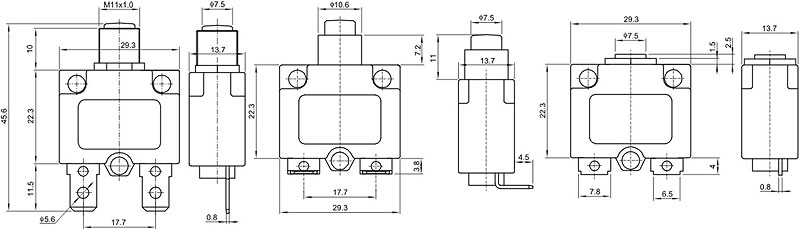
尺寸图

14921562178475889.jpg

标识订货

14921562377170713.jpg